
Galleon Click Less True Bypass Relay Module Kit

Decoupling Capacitor Vs Bypass Capacitor Working

Smartuner Tm Troubleshoot


Decoupling Capacitor Help

Us 1 55 20 Off 20pcs Lot Bypass Blocking Diode 15amp 45v High Surge Current Capability 15sq045 High Quality For Diy Solar Cells Panel In Relays

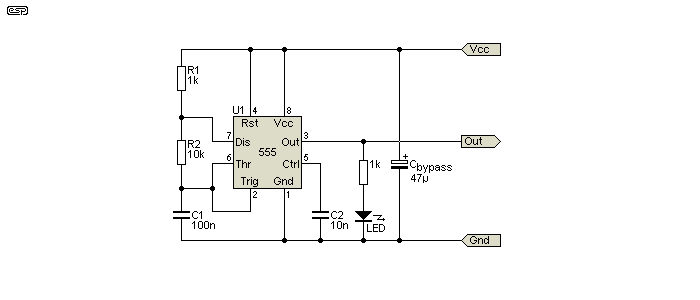
555 Timer

Relay True Bypass

Coda Effects Relay Bypass With Anti Pop System Noiseless

Relays Cautions For Use Automation Controls Industrial

Coupling Capacitors Bypassing Capacitors Ac Load Lines

Coda Effects Relay Bypass Conception And Relay Bypass Code

Noise Management Using Capacitors Effectiveness Of

An Introduction To Transient Voltage Suppressors Tvs

Why Is My Circuit So Incredibly Sensitive To Electric

About Out Of Setting Voltage In Power Supply Current
Comments
Post a Comment